MENKOºîÀ®»þ¤Î¤¤¤í¤¤¤í

¡¦¥ì¥¤¥¢¥¦¥ÈÀß·×»þ¤Î¤¢¤ì¤³¤ì

¹â¼þÇÈ¿ô¤Îʪ¤¬¤¢¤ë¾ì¹ç¤Ïŵ÷Î¥¤À¤È¸º¿ê¤·¤Æ¤·¤Þ¤¦¤Î¤Ç¶á¤¯¤ËÃÖ¤¯É¬Íפ¬¤¢¤ë¤¬º£²ó¤Ï¤Ê¤¤¤Î¤Ç̵»ë¤·¤Æ¤¤¤¤

ESP32¤Ï¥¢¥ó¥Æ¥Ê¤ÎÉôʬ¤ò¤Ç¤­¤ë¤À¤±³°Â¦¤Ë¤¹¤ë¡ÊÄÌ¿®¤·¤ä¤¹¤¤¤è¤¦¤Ë¡Ë

ÉôÉʤȤδֳ֤Ï1­Ð¶õ¤¤¤Æ¤ì¤Ð¤¤¤¤¡ÊÄ̤¹ÇÛÀþ¤Î¿¤µ¤Ë¤è¤Ã¤Æ¤Ï¤â¤¦¾¯¤·Íߤ·¤¤¤¬¡Ë

¥Ù¥¿¥°¥é¥¦¥ó¥É¤Ç°ìµ¤¤Ëʤ¤¦¤Î¤ÏÎɤ¤¤¬´°àú¤Ç¤Ï¤Ê¤¤°Ù¤¢¤é¤«¤¸¤áGND¤âÇÛÀþ¤·¤Æ¤ª¤¯¡¢¤È¤¤¤¦¤è¤êºÇ½é¤ËÇÛÀþ¤·¤¿Êý¤¬Îɤ¤¡£ÅŸ»¤Ï΢¤Ë²ó¤·¤Æ¤â¤¤¤¤¤¬¥°¥é¥ó¥É¤Ï¤Ç¤­¤ë¸Â¤êɽ¤Ç·Ò¤²¤ë¡ÊÅṲ̋Τº¤ì¤¬µ¯¤­¤Ê¤¤¤è¤¦¤Ë¡Ë

¥Ñ¥Ã¥É¤ËÆþ¤ëÇÛÀþ¤ÎÂÀ¤µ¤Ï¶Ñ°ì¤ÎÊý¤¬Îɤ¤¡ÊKicadÆþÌç½ñ¡Ë¤¬¤½¤ì¤ÏÂçÎÌÀ¸»º¤·¤ÆÊâα¤Þ¤ê¤òµ¤¤Ë¤¹¤ë¤°¤é¤¤¤ÎÃʳ¬¤ÇÎɤ¤

´ÓÄÌ¥Ó¥¢¡Êɽ¤È΢¤ÎÅṲ̋òƱ¤¸¤Ë¤¹¤ë¤¿¤á¤Î·ê¡Ë¤ÏÂ礭¤ÊÅÅή¤¬Î®¤ì¤ë¾ì¹ç¤Ï¥¤¥ó¥Ô¡¼¥À¥ó¥¹¤ò²¼¤²¤ë¤¿¤á¤Ë¤¹¤ë¤¬º£²ó¤Ï¤¤¤é¤Ê¤¤¤«¤â

ȯÃí»þ¤Ë´ðÈĤθü¤µ¤ä¿§¡Ê´ðËܤÏÎСˤò·è¤á¤é¤ì¤ë

´ðÈĤ¬10­Ñ̤Ëþ¤À¤È4.9¡ð¡¢°Ê¾å¤À¤È22¡ð¤«¤«¤Ã¤Æ¤·¤Þ¤¦¡Ê¤¿¤À¤·¤½¤Î¼¡¤ÎÃʳ¬¤Ï2¡ð¤·¤«¾å¤¬¤é¤Ê¤¤¡Ë¡£¤Ê¤Î¤Ç¤Ç¤­¤ë¤Ê¤é10­Ñ̤Ëþ¤ÎÊý¤¬Îɤ¤

¥Þ¥¤¥³¥ó¤Î¥¢¥ó¥Æ¥ÊÉôʬ¤Î¥Ù¥¿¥°¥é¥¦¥ó¥É¤ÏÇÓ½ü¤·¤Æ¤ª¤±¤Ê¤±¤ì¤Ð¤Ê¤é¤Ê¤¤¡ÊÅÅÇȤòµÛ¼ý¤·¤Æ¤·¤Þ¤¦¤¿¤á¡Ë

¡¦¥Õ¥Ã¥È¥×¥ê¥ó¥È¤Îɽµ­¤Ë¤Ä¤¤¤Æ

THT¡ÊThrough-hole technology¡Ë¡§¥¹¥ë¡¼¥Û¡¼¥ë¼ÂÁõ¡£·ê¤ò³«¤±¤ë

SMD¡ÊSurface Mount Device¡Ë¡§É½Ì̼ÂÁõ¡£·ê¤ò³«¤±¤Ê¤¤

¡¦²óÏ©¿Þ¤ÇERC¤ò¤·¤¿¤é¥¨¥é¡¼¤¬½Ð¤¿¡£ÅŸ»½ÐÎÏ¡ÊGND¡Ë¤ÈÁÐÊý¸þ¥Ô¥ó¡Ê²Ã®Å٤Ρˤò·Ò¤¤¤Ç¤¤¤¿¤Î¤¬¸¶°ø¡£ÁÐÊý¸þ¥Ô¥ó¤¬¡Ê¤Û¤Ü¤Û¤Ü¤Ê¤¤¤¬¡Ë½ÐÎϤ¹¤ë¤³¤È¤¬¤¢¤ê¤¦¤ë¤¿¤á¤Ëµ¯¤³¤Ã¤¿¥¨¥é¡¼¡£Äñ¹³¤ò´Ö¤ËľÎó¤Ç¶´¤á¤Ð¤¤¤¤¤¬º£²ó¤Ï¤½¤³¤Þ¤Ç¤·¤Ê¤¯¤Æ¤¤¤¤¤«¤â

¡¦¥Ð¥¤¥Ñ¥¹¥³¥ó¥Ç¥ó¥µ¤òÅŸ»¤Î¤È¤³¤í¤Ë·Ò¤°¤³¤È¤Çľή¤Î¤ß¤òή¤¹¤¿¤áÅṲ̋¬°ÂÄꤹ¤ë¡Ê¤Ê¤¯¤Æ¤âÎɤ¤¡Ë

¡¦¥Þ¥¹¥¿¡¼¢ª¥¹¥ì¡¼¥Ö¤ÎÀþ¤Ë¤Ï¥×¥ë¥¢¥Ã¥×Äñ¹³¤òÉÕ¤±¤ë¡£¥×¥ë¥¢¥Ã¥×Äñ¹³¤ò¤Ä¤±¤ë¤³¤È¤Ç²¿¤â»Ø¼¨¤¬¤Ê¤¤»þ¤Ç¤âÅṲ̋¬°ìÄê¤ËÊݤ¿¤ì¸íºîư¤òËɤ²¤ë¡£ÊÂÎó¤ËÉÕ¤±¤ë¡£Äñ¹³¤ÎÂ礭¤µ¤Ï¾ì¹ç¤Ë¤è¤ë¤¬4.7k¤¬ÌµÆñ

¡¦¥×¥í¥°¥é¥à¤Î½ñ¤­¹þ¤ß¤Ë¤ÏFTDI¤ò»È¤¦¡Ê¤½¤Î¤¿¤á¤Ë6¥Ô¥ó¡Ü1¥Ô¥ó¤¬´ðÈĤËɬÍסˡ£¾Ü¤·¤¯¤Ï²¼µ­¤Î¹àÌÜ

¡¦´ðÈĺîÀ®¤Î¼ê½ç

1¡¡»È¤¦ÉôÉʤò·è¤á¤ë

2¡¡»È¤¦ÉôÉʤΥ·¥ó¥Ü¥ë¤È¥Õ¥Ã¥È¥×¥ê¥ó¥È¤ò½¸¤á¤ë¡£¥·¥ó¥Ü¥ë¡á²óÏ©¿Þ¤òºî¤ë»þ¤Ë¤½¤ÎÉôÉʤò°ÕÌ£¤¹¤ë¥Þ¡¼¥¯¡£ÀµÄ¾PIN¤Î¿ô¤¬¹ç¤Ã¤Æ¤¤¤ì¤Ð²¿¤È¤«¤Ê¤ë¡£¥Õ¥Ã¥È¥×¥ê¥ó¥È¡á¼ÂºÝ¤ÎÉôÉʤηÁ¤Î¥Ç¡¼¥¿¡£¥ì¥¤¥¢¥¦¥ÈÀ߷פλþ¤Ë»È¤¦¡£¤È¤Æ¤â½ÅÍס£ºîÀ®¤¹¤ë¤È¤­¤Ï¤­¤Á¤ó¤È¥Ç¡¼¥¿¥·¡¼¥È¤ÎÀ£Ë¡¤òÆÉ¤à¡£¥·¥ó¥Ü¥ë¤ÎPIN¤ÈƱ´ü¤·¤Æ¤¤¤ë¤¿¤á»÷¤¿¤è¤¦¤ÊÉôÉʤΥ·¥ó¥Ü¥ë¡¦¥Õ¥Ã¥È¥×¥ê¥ó¥È¤òήÍѤ·¤Æ¤¤¤ë¾ì¹ç¤ÏÃí°Õ¤¬É¬Íסʺ£²ó¤Î¾ì¹ç¤Ï¥È¥é¥ó¥¸¥¹¥¿¤¬¤½¤¦¡Ë

3¡¡²óÏ©¿Þ¤òºîÀ®

4¡¡¥ì¥¤¥¢¥¦¥È¤òÀß·×

5¡¡È¯Ãí

FTDI¤ò»È¤Ã¤¿Esp32¤Ø¤Î½ñ¤­¹þ¤ßÊýË¡

¡¦¥É¥é¥¤¥Ð¡¼¤ÈSetup¤ÎZip¤âÆþ¤ì¤Ê¤±¤ì¤Ð¤¤¤±¤Ê¤¤

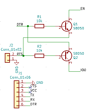
¡¦RTS¤òÀ©¸æ¤¹¤ë¤¿¤á¤ËFTDI¤Î´ðÈĤˤ¢¤ëRTS¤ÎÉôʬ¤«¤éÀþ¤òÉÕ¤±Â­¤·¤Æ·Ò¤°É¬Íפ¬¤¢¤Ã¤¿

¡¦²óÏ©¿Þ

RTS.PNG

¡¦¼ÂºÝ¤ÎÍÍ»Ò

FTDI.JPG

M5Stack¤Î¼ïÎà¤Ë¤Ä¤¤¤Æ

¡¦Basic¤ò´ðËܤȤ¹¤ë¡£9¼´¥»¥ó¥µ¡Ê²Ã®ÅÙ¡¦¥¸¥ã¥¤¥í¥»¥ó¥µ¡Ë¤òÉÕ¤±¤¿¤â¤Î¤¬Gray¡£

¡¦Gray¤Ë¥­¡¼¥Ü¡¼¥É¡¢¥Æ¥ó¥­¡¼¡¢¥²¡¼¥àµ¡É÷¤Î¥¤¥ó¥¿¡¼¥Õ¥§¥¤¥¹¡¦¥Ñ¥Í¥ë¡Ê¤³¤Î3¼ïÎà¤òÉÕ¤±Âؤ¨²Äǽ¡Ë¤ÎÉôʬ¤¬³ÈÄ¥¤·¤¿¤â¤Î¤¬Faces

¡¦Gray¤Ë¡¢¥°¥í¡¼¥Ö¤òÀܳ¤¹¤ë¾ì½ê¤òʬ¤«¤ê¤ä¤¹¤¯¼¨¤·¤¿¥Ý¡¼¥È¡ÊA,B,C¡Ë¤¬ÉÕ¤¤¤¿¤â¤Î¤¬GO¡£¥ì¥´¸ß´¹¤Î¥Ñ¡¼¥Ä¤âÉÕ¤¤¤Æ¤¤¤ë

¡¦ËÜÂΤ˴ؤ·¤Æ¡¢GO¤Ë½¼ÅÅÍѥɥå°¤¬ÉÕ¤¤¤¿¤â¤Î¤¬FIRE¡Ê¼è¤ê³°¤·²Äǽ¡Ë¡£GO¤ËÉÕ°¤·¤Æ¤¤¤ë¥â¥¸¥å¡¼¥ë6¼ï¡Ê¡ÜGROVE4¤Ä¡Ë¤È½¼ÅÅ¥±¡¼¥Ö¥ë¤ÏFIRE¤Ë¤Ï¤Ê¤¤

¡¦½Ð²Ù»þ´ü¤Ë¤è¤ê9¼´¥»¥ó¥µ¤¬°ã¤¦¤³¤È¤¬¤¢¤ë

¡¦GO¤ÈFIRE¤Î¡ÖSpecifications¡×¤Î°ã¤¤¤È¤·¤Æ¤Ï¡Ö9DOF¡×¡Ê9¼´¥»¥ó¥µ¡Ë¤ÎÉôʬ¤È¡ÖFlash¡×¤¬GO¤Ï¡Ö4M-Bytes(or 16M-Bytes)¡×¡¢FIRE¤Ï¡Ö16M FlASH + 4M PSRAM¡×¤È¤Ê¤Ã¤Æ¤¤¤ë

M5stack¤ÇLED(ws2812B)¤ò¸÷¤é¤»¤ë

¡¦¥Õ¥¡¥¤¥ë̾"ledM5"

¡¦OUTPUT¤ò21¤ËÀßÄê

¡¦¤è¤¯Ê¬¤«¤é¤Ê¤¤¥¨¥é¡¼¤¬½Ð¤¿¤é¡¢¤Ò¤È¤Þ¤º¥Ü¡¼¥É¥Þ¥Í¡¼¥¸¥ã¡¼¤«¤éesp32¤òºÇ¿·¤Î¤â¤Î¤Ë¤¹¤ë

¡¦¥Ü¥¿¥ó¤ÇLED¤òON/OFF¤·¤¿¤¤

¢ªloopʸ¤ÎºÇ½é¤Ë¥Ü¥¿¥ó¤ò²¡¤¹¤³¤È¤Çflag¤ÎÃͤòÊѤ¨¤ëifʸ¤òÃÖ¤¤¤¿¡Êflag¤ÎÃͤˤè¤Ã¤ÆLED¤¬ÅÀ¤¯¡Ë

¢ª»þ´Ö·Ð²á¤Ç¿§¤¬ÊѤï¤Ã¤Æ¤¤¤¯¥×¥í¥°¥é¥à¤ò»ÈÍѤ·¤Æ¤¤¤ë¤¿¤á¡Ê¡©¡Ë¥Ü¥¿¥ó¤ò²¡¤·¤Æ¤âÆþÎϤò¼õ¤±ÉÕ¤±¤ºÊѤï¤é¤Ê¤¤»þ¤¬¤¢¤ë

¢ªtakebe·¯¤Î¥Ú¡¼¥¸¤ò»²¹Í¤Ëforʸ¤ÎÃæ¤ËM5.updata();¤È¥Ü¥¿¥ó¤ò²¡¤·¤¿¤È¤­¤Îifʸ¡ÊÃæ¤Ëbreak;ÉÕ¤­¡Ë¤òÃÖ¤¯¤³¤È¤Ç¡¢¥Ü¥¿¥ó¤ò²¡¤¹¤È¤¹¤°¤ËLED¤ÎON/OFF¤¬ÀÚ¤êÂØ¤ï¤ë¤è¤¦¤Ë¤Ê¤Ã¤¿

¡¦ÅŸ»¤òM5stack¡Ê¡ÜPCÀܳ¡Ë¤«¤é³°ÉôÅŸ»¡ÊAC¥¢¥À¥×¥¿5V2A)¤Ë¤·¤è¤¦¤È¤·¤¿¤¬ÅŸ»¤¬¹ç¤ï¤Ê¤¤°Ù¤«¥Á¥«¥Á¥«¤ÈÅÀÌÇ

¢ª¡ÊM5stack Gray¤Î¡Ë3.3V¤Ë¤·¤¿¤éÅÀÌǤ·¤Ê¤¯¤Ê¤Ã¤¿

¡¦´°À®¤·¤¿¥×¥í¥°¥é¥à¤òÃÖ¤¤¤Æ¤ª¤¯¡£²Ã®ÅÙ¥»¥ó¥µ(MPU9250)¤Ë´Ø¤·¤Æ¤Ï¤«¤Ê¤êüÀޤ俤Τǥ¹¥±¥Ã¥Á¥Ö¥Ã¥¯»²¾È¤ò¤ª¤¹¤¹¤á

M5stack¤Ç²Ã®ÅÙ¥»¥ó¥µ¤ò»È¤¤¤¿¤¤

¡¦faital error¤¬½Ð¤¿¤éGND¤ÈRST¤ò2.2uF¡Ê¤â¤·¤¯¤Ï4.7uF¤Ê¤É¤ÎÃ͡ˤΥ³¥ó¥Ç¥ó¥µ¤Ç¤Ä¤Ê¤°

¡¦M5stack Gray¤Ê¤é9¼´²Ã®ÅÙ¥»¥ó¥µ¤¬Æâ¢¤µ¤ì¤Æ¤¤¤ë

3D¥×¥ê¥ó¥¿¡¼¡ÊľÊýÂΤΥ´¥Ä¥¤Êý¡Ë¤ò»È¤¦

¡¦¼ç¤Ë°æ¾å¤µ¤ó¤Î¥Ú¡¼¥¸¤ò»²¾È¡Ê¤Ê¤ª¡¢¥ê¥ó¥¯Àè¤Ï¤â¤¦Â¸ºß¤·¤Ê¤¤¡Ë

¢ªFusion 360¤ÈMakerbot¤Ç¸¡º÷¤¹¤ì¤Ð½Ð¤ÆÍè¤ë¡Ê¤ä¤êÊý¤â¥Í¥Ã¥È¤ÎÊý¤¬¾Ü¤·¤¤¡Ë

¢¨Maker bot printer¤Ê¤É¤È¤¤¤¦¤è¤¯»÷¤¿°ã¤¦¥½¥Õ¥È¤¬¤¢¤ë¤Î¤ÇÃí°Õ¡Ê¤³¤ì¤Ç¤Ï¼¡¤Ë¿Ê¤á¤Ê¤¤¡Ë

¡¦2¤Ä¤Î¥½¥Õ¥È¤½¤ì¤¾¤ì¤Ç¥¢¥«¤òºîÀ®

¡¦.x3g¤¬½Ð¤ÆÍè¤Ê¤¤

¢ªDevices¤ò³Îǧ¤·À½Éʤ¬¤¢¤Ã¤Æ¤¤¤ë¤«³Îǧ

¡¦3D¥×¥ê¥ó¥¿¤Î±ü¤Ë¤¢¤ëÅŸ»¥¹¥¤¥Ã¥Á¤ò²¡¤¹

¢ª²èÌ̤¬ÅÀ¤¯¤Î¤Ç5¤Ä¤Î¥¹¥¤¥Ã¥Á¤ÇÁàºî¡Ê¿¿¤óÃæ¤¬·èÄê¥Ü¥¿¥ó¡¢Â¾¤Ï¾å²¼º¸±¦¡Ë

¡¦¤«¤Ê¤ê»þ´Ö¤¬¤«¤«¤Ã¤¿¤¬¤É¤¦¤ä¤é²òÁüÅÙ¤òÄ㤯¤¹¤ë¤³¤È¤Ç»þ´Öû½Ì¤Ç¤­¤ë¤é¤·¤¤¡Ê¶ÊÀþÉôʬ¤¬¤¢¤Ã¤¿¤ê¤¹¤ë¤È¤­¤ÏÈò¤±¤¿Êý¤¬Îɤ¤¤¬¡Ë

3D¥×¥ê¥ó¥¿¡¼¡Ê±ßÃì¡Ë¤Î»È¤¤Êý

¡¦¥´¥Ä¥¤Êý¤È°ã¤¤ABS¡ÊÁǺà̾¡¢¥×¥é¥¹¥Á¥Ã¥¯ÁǺà¡Ë¤Ï»È¤¨¤Ê¤¤¡£PLA¡ÊÁǺà̾¡¢¥×¥é¥¹¥Á¥Ã¥¯ÁǺà¡Ë¤Î¤ß»È¤¨¤ë¡£Î¾¼Ô¤Î°ã¤¤¤È¤·¤Æ¡¢ABS¤ÎÊý¤¬Í׵᤹¤ë²¹ÅÙ¤¬¹â¤¤¤¿¤áÂæ¤ò²¹¤á¤Ê¤±¤ì¤Ð»È¤¨¤Ê¤¤¡£¤³¤Î¤¿¤á±ßÃì·¿¤Ç¤Ï»È¤¨¤Ê¤¤¡£PLA¤ÎÊý¤¬½À¤é¤«¤¤¡¢¤é¤·¤¤¡£ABS¤ÎÊý¤Ï²¹ÅÙ¤¬¹â¤¤¤³¤È¤â¤¢¤ê´°À®¤·¤¿¸å¡¢¾¯¤·Çí¤²¤ë¤È¤­¤¬¤¢¤ë

¡¦Fusion 360¤Ï»È¤¦¤¬¤½¤Î¼¡¤Î¥½¥Õ¥È¤ÏCoLiDo¤«¤é¥À¥¦¥ó¥í¡¼¥É

¡¦À½ÉÊ̾¤Ç¸¡º÷¤¹¤ì¤ÐÀâÌÀ½ñ¡Ê±Ñ¸ì¡Ë¤¬¤¢¤ë¤é¤·¤¯º¤¤Ã¤¿¤È¤­¤Ï¤½¤³¤ò»²¾È

¡¦ºÙ¤¯¤ÆÇò¤¤¥ï¥¤¥ä¡¼¤Î«¤Î¤è¤¦¤Ê¤â¤Î¤¬¥Õ¥£¥é¥á¥ó¥È¡ÊPLA¡Ë¡£ºîÀ®ÃæÍí¤Þ¤é¤Ê¤¤¤è¤¦¤ËÃí°Õ

¡¦Æ°²è¤Ë¤è¤ëÀâÌÀ

¡¦ÆâÉô¾ðÊ󢪥ޥ˥奢¥ë¤Ë¾Ü¤·¤¯½ñ¤¤¤¿µ­»ö¤¬¤¢¤ë

Hakko Heating Gun¡Ê¥É¥é¥¤¥ä¡¼¡Ë¤Î»È¤¤Êý

¡¦¼ç¤ËÇ®¼ý½Ì¥Á¥å¡¼¥Ö¤ò²¹¤á¤ë¤È¤­¤Ë»ÈÍÑ

¡¦Ãí°Õ½ñ¤­¤Ë½ñ¤¤¤Æ¤¢¤ëÄ̤ê¤È¤Æ¤â´í¤Ê¤¤¡£Ç®É÷¤ÎÀè¤Ë¿ÍÂΡß

¡¦¼Ð¤á45ÅÙ¾å¤Ë¸þ¤±¤ÆÎ©¤¿¤»¤ë

¡¦Áàºî¤È¤·¤Æ¤Ï¥É¥é¥¤¥ä¡¼¤ÈƱ¤¸¤¯¥¹¥¤¥Ã¥Á¤òÀÚ¤êÂØ¤¨¤ë¤Î¤ß

¡¦»È¤¦¤È¤­¤ÎÍͻҡÊÇ®¤Î½Ð¤Æ¤¤¤ëÀè¤Ë²¹¤á¤ë¤â¤Î¤ò¤«¤«¤²¤ë¡¢¤È¤¤¤¦´¶¤¸¡Ë

IMG_0478_2.JPG

¼ê»ý¤Á¤Î²èÁü¤òºÜ¤»¤¿¤¤

¡¦ÊÔ½¸¤¹¤ë¥Ú¡¼¥¸¤Î¡ÖźÉաסʡÖÊÔ½¸¡×¤Î5¤Ä²£¤Ë¤¢¤ë¡Ë¤ò²¡¤¹

¢ª¥Õ¥¡¥¤¥ë¤òÁªÂò¡¢¥Ñ¥¹¥ï¡¼¥É¤ÏƱ¤¸

¢ª¥ë¡¼¥ëÃæ¤Î²èÁü¤ÎޤêÊý¤Ë¤¢¤ë¡¢¥Õ¥¡¥¤¥ë̾¤Î¾ì½ê¤Ë

¥Õ¥¡¥¤¥ë̾,,10%

¤È¤¤¤¦¤è¤¦¤Ë½ñ¤¯¡£%¤Ï²èÁü¥µ¥¤¥º¡£¡Ê¥Õ¥¡¥¤¥ë̾¤Ï³ÈÄ¥»Ò¤Þ¤ÇÀµ³Î¤Ë¡Ë