目次
最新の10件を表示しています。 コメントページを参照
ようやく終わりました。。はんだ付けに慣れていなかったため、えらく時間がかかってしまいました。これから、9月試作のChip測定に移りたいと思います。まずは、すでに動作確認がされている、富山商船高専の新田君が作ったNAND回路から行きます。
過去の日記をアーカイブしたときに、ファイルのリンク切れを防ぐために、添付ファイル置き場を作成しました。あとコメント欄も#pcommentで別ページにして統一しました。以前より使いやすくなったかな。。
PSoC周辺のはんだ付けが終わったので、DUTソケットをつける前にPSoCの動作確認をしたいと思います。
どんなプログラムで確認しようか。。
いよいよはんだ付けを始めたいと思います。QFPパッケージのはんだ付けは、やはり難しいです。。くっついているように見えてくっついていなかったり、隣どうしのピンが導通してしまったりorz
結局ほとんど秋田先生にやってもらっちゃいました(;'∀`)
ようやく完成しました!
基板製作会社から手直しの依頼がこなければ完成です。
基板をつくるために、注意しなければいけないことがけっこうあるので、まとめていきたいと思っています。。
昨日、ついにPSoCが届きました!
紙に印刷した、原寸大のPCBデータの上にPSoCをおいて、実際にはんだ付けできそうかを確認してみたところ、ランドが狭すぎてはんだ付けできそうにないので、もう少し広げた方がいい、というアドバイスを秋田先生にいただきました。
手直しして1mm程度のばそうとしましたが、これが意外と大変な作業でしたorz
▲PSoCのQFPパッケージによって、ランドが隠れてしまい、はんだ付けが難しい状態
すでに場所を決めてしまったパッドを動かそうとすると、ランドとくっついてしまったりします。。
また、なぜか部品として呼び出したPSoCのフットプリントのグリッドがうまくあわず、ひとつひとつのパターンを座標を指定しながら移動しないといけなくなり、かなり面倒な作業に…。
QFPパッケージの部品のフットプリントを作る際は、ちゃんと確認しないとえらいことになりますorz
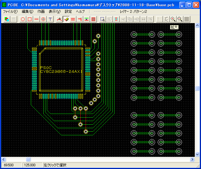
PSoC周辺の配線を描いている最中なのですが、CY8C29866-24AXIはTQFPパッケージで、しかも配線間隔が0.5mmという設定なので、いちいちグリッドを2.54mmと切り替えなくてはいけないので、面倒くさいですorz
しかもピンが64ピンもあるので、これが案外やっかいです。うっかり配線をぎりぎりに配置してしまったので、ビアホールが置けなくなってしまったorz
▲完全にやり直しだorz
先にTQFPまわりの配線をすべてやるべきだったようです。。
下準備するだけでずいぶんと時間がかかってしまいましたorz
下準備というのは
などです。
さっそくPCBEを使って描くことにします。
秋田先生、北川先生のマニュアルページがすごく参考になりました。
どうしても、PCBEとVirtuosoの操作を混同してしまいます。。
Chip測定環境としてPSoC CY8C29866-24AXIを使うことになりました。PSoCのくせに100ピン(そのうち、I/Oピンは64個)もあります!!
しかし、性能はCY8C29466と同じようだ。ただピン数が増えただけかorz
あと、全体的にはInkscapeを使って編集しときました。

▲svg形式のファイル
▲svg形式(フォントをパスに変換したもの)のファイル*2
あと、faviconも作っちゃいましたorz
▲favicon用のPNGファイル
これをIrfanViewを使って縮小して、.icoで保存しました。