作業日誌

2019

5/9 キーマトリクスとアクティブロー回路

今回はここここ に書いてある内容を実行した。

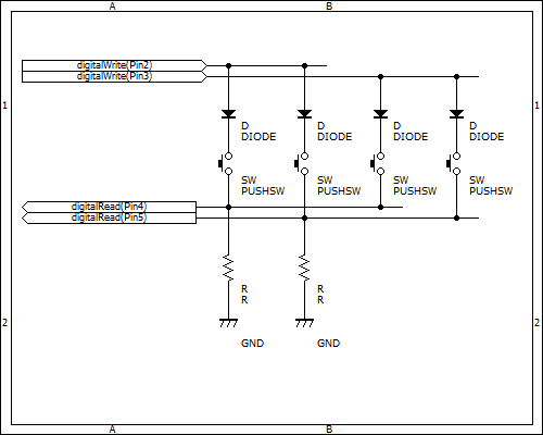
まず前半はキーマトリクスを用いて、認識できるキーを増やした(今回は2x2)。
各スイッチにダイオードを繋げておくのがポイントで、これがないとスイッチを3つ同時に押した際に電流が逆流して、残りの押してないキーが押された判定になってしまう。

fourKey.png

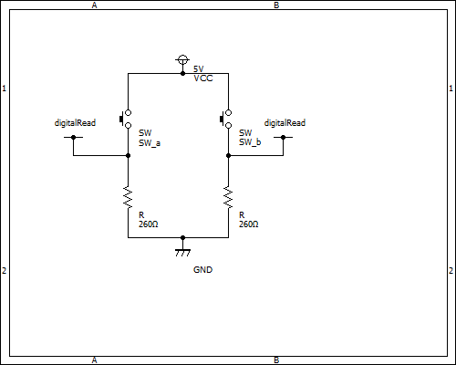
後半は、seeeduino内のプルアップ抵抗を利用することで、上図の2つの抵抗を省略できるようにした。

fourKey_activeLow.png

4/17 2キーのキーボード

とりあえずここまで出来た。 次はキーマトリックスでスイッチを増やす。

twoKeyCircuit.png

4/15 マイコンでゲームパッド作る話(下調べまとめ)

DirectInputとかXInputとかは一旦置いといて、とりあえずキーボードをなぞる方式で実装する予定。

オリジナルキーボードを作ってみる まとめ
mhama/M5StackHIDCtrlAltDel

4/15 WSのLEDまとめ

春休みに遊んでたWS2812B等について。

FastLEDライブラリの入手先
解説スライド
http://cms.db.tokushima-u.ac.jp/DAV/person/S10723/ロボットをつくろう/春夏講座ー前編/Lecture05/slide05appendix.pdf
64個のLEDでレインボーカラー。シリアルLEDのWS2812BとArduinoで簡単に実現

2018

6/25 ArduinoADEの設定メモ

○seeeduinoの場合...
ボード: "Seeeduino V4(Atmega328P)"
書込装置: "AVRISP mkII"

6/20 GoogleDriveの共有フォルダ

一度開けば共有されるはず...
merl_shareにOffice等の最新版が置いてあるので更新したい人はどうぞ、とのこと

merl_share
merl_ifdl_share

6/6 apkファイルのインストール@oculus Go

oculus Goに自作のアプリをインストールする方法

"cd C:\temp\platform-tools"でドライバのあるフォルダに移動(場所は任意の場所でおk)。
"adb devices"で接続状況の確認。
"adb install C:\...\AppName.apk"でapkファイルの場所を指定してインストール。

6/6 apkファイルのビルド@Unity

Android向けにアプリをビルドしようとすると、
"Unable to list target platforms. Please make sure the android sdk path is correct. See the Console for more details. See the Console for details."
というエラーが出てビルドに失敗した。
Unityのバージョンを2018.1.3f1、JDKを1.8.0_66、SDKのtoolsフォルダを22.0.5にしたら通った。

SDKのtoolsフォルダの旧バージョン(22.0.5)

5/30 GameObjectの動的な色変更@Unity

ネット曰く『myObj.renderer.material.color = myColor;』で可能とのことだが失敗。
『myObj.GetComponent<Renderer>().material.color = myColor;』で成功した。

4/18 - 4/23 ぷよぷよ@seeeduino

要領は前回とほぼ同じ。
スコア計算に必要な値はシリアルモニタで適宜確認する。

4/16 - 4/17 テトリス@seeeduino

自主課題研究で誰かが実装途中までやってたテトリスを、自分も作ってみた。
入出力先をTFT液晶&付属していたジョイスティック用に整えるだけで完成。

・使用したパーツ: Adafruit 1.8インチTFTシールド

・コードの参考: 【プログラミング】テトリスを1時間強で作ってみた【実況解説】
 たった1時間(開発環境のインストール時間込み)で作るとは...

・ライブラリAdafruit_ST7735の説明: Adafruit 1.8" SPI display のライブラリを読む

・カラーコードの参考: 16bit Color Picker & Color List
 Adafruit_ST7735では16ビットカラーで色を指定できる。

質疑メモ

2019/06/07

・被験者のVR経験や年齢は?
・年齢によるVRへの体質差があるか?
・車酔いとも関係がありそう
・HMDの解像度の低さ→酔いに
・実験の順番をランダムにするとなお良い